주요 특징
| ● 작동 주파수 범위 45~1000MHz |
| ● 최대 이득 33dB |
| ● 저잡음: 3.5pA / √Hz 등가 입력 잡음 전류(EINC) |
| ● 선형성: 채널당 +78dBuV RF 출력에서 -68dBc CSO 및 -70dBc CTB(60개 PAL-D 채널 DS22) |
| ● 높은 동적 이득 범위, 32dB 이득 제어 범위 |
| ● 5V 공급 전압에서 하나의 RF 출력에 대해 210mA의 낮은 전력 소비 |
|
● 0-3V AGC 제어 전압 |
|
● -10dBm~+2dBm 광학 범위 단일 공급 지원 |
|
● 12V 공급 전압에서 하나의 RF 출력에 대해 110mA의 낮은 전력 소비 |
|
● 무연/RoHS 준수 QFN4X4-24L 패키지 |
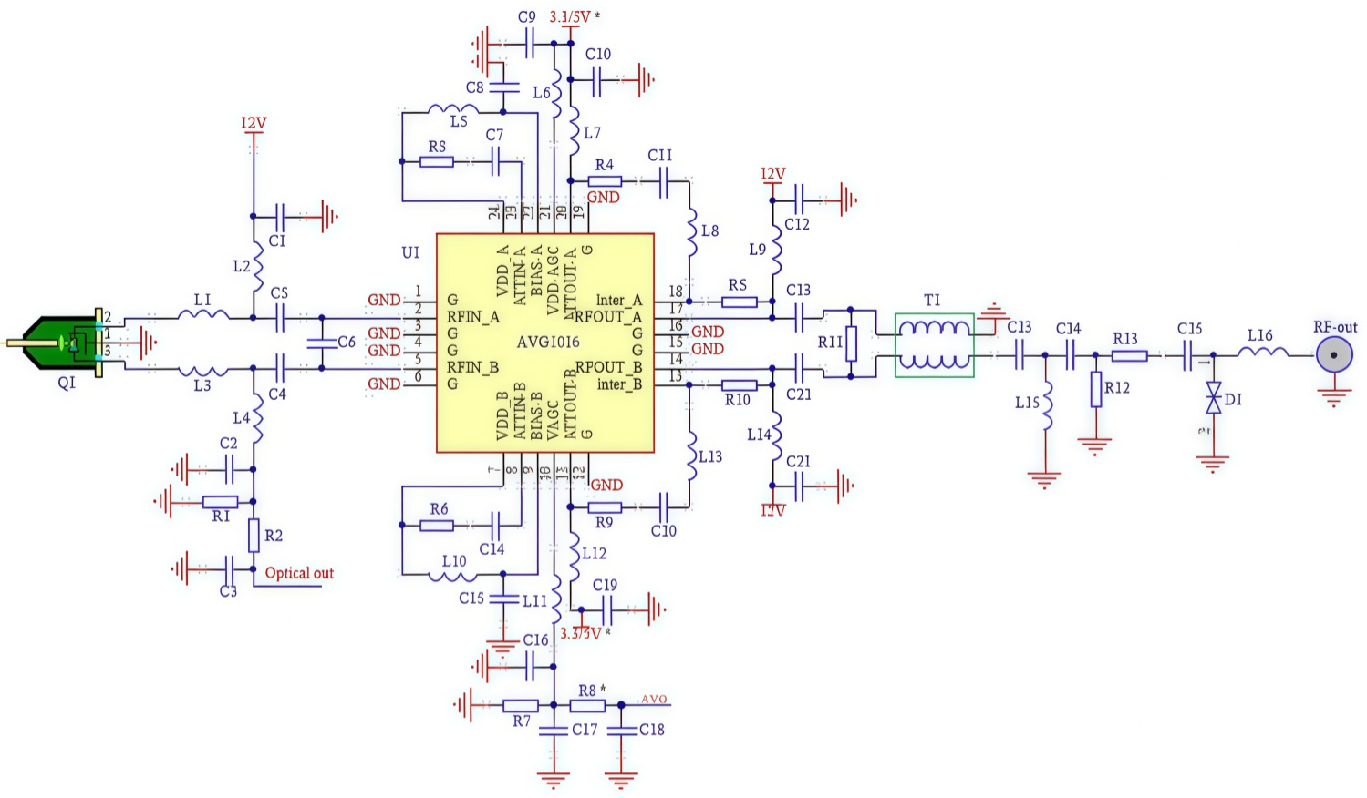
가변 이득 증폭기 AVG1016
Sanland의 AVG1016은 가변 이득 증폭기입니다. 전압 제어 감쇠기. 증폭기는 높은 0.5um을 사용하여 선형성과 저잡음 구현 GaAs E- pHEMT 공정. 미니어처 4.0 x에 보관되어 있습니다. 4.0mm 24핀 QFN(쿼드 플랫 비리드) 패키지. 그것은 45MHz부터 1000MHz까지 최적의 사용을 위해 설계되었습니다. 콤팩트한 설치 공간과 로우 프로파일은 높은 성능과 결합되었습니다. 이득과 높은 선형성은 AVG1018을 이상적인 선택으로 만듭니다. CATV 네트워크 및 FTTH 네트워크용 증폭기로 사용됩니다.

| 유형 | 하류 |
| 최소주파수(GHz) | 0.05 |
| 최대 주파수(GHz) | 1.0 |
| 게인(dB) | 32dB |
| CSO(dBc) | -68 |
| CTB(dBc) | -70 |
| NF(dB) | 1.5 |
| 전압(V) | 12V |
| 전류(mA) | 110 |
| 패키지 유형 | QFN |
| RoHS 규제 | 예 |
| 무연 | 예 |
| 할로겐 프리 | 예 또는 아니요 |
